郑州上门服务24小时接单平台,qq扫二维码叫小妹,全国大圈外围安排,女性卖身接单留电话
欢迎光临维保资讯--北京消防检测维保公司-亿杰(北京)消防工程有限公司官方网站!
咨询热线:010-57113119 |
仓库消防维保
专业消防维保服务公司
首页
消防维保
电检消检
灭火器年检
成功案例
仓库消防维保
单位消防维保
厂房消防维保
商场消防维保
校园消防维保
小区消防维保
医院消防维保
办公楼消防维保
幼儿园消防维保
高速路消防维保
关于我们
消防维保方案
消防维护维修
消防检测维护
消防工程施工
资质荣誉
烟感清洗
维保资讯
消防维保
幼儿园消防设施自己做维保?消防部门允许吗?
写字楼办公楼消防维保指南:从维保费用到维保内容
亿杰消防通过优化消防维保流程提高公寓消防维保服务质量
园区工厂车间消防维保怎么做,车间必须设置哪些消防设施?
超市消防维保攻略:重点单位管理、设施配置与费用指南
亿杰消防做好养老院消防维保让您不惧消防随机检查?
维保全攻略:从日常维护到安全升级,筑牢酒店消防生命线
酒店选择好的消防维保公司,让老板不在害怕消防检查
电检消检
企业消防安全必做:北京消电检检查内容、频率及收费详解
消防安全评估全流程:从费用计算到报告有效期一次说清
消防验收和竣工验收有哪些不同点
酒店先做竣工验收还是消防验收
北京朝阳区新装修办公楼消电检
幼儿园保健室消防安全评估,卫生室消防安全评估
企业什么情况要消防检测呢?企业消防设施每年需要检测吗
消防灭火器的检测内容是哪些?灭火器的基本检测有哪几项
灭火器检测
北京消防维保公司灭火器定期年检报废年限
气体灭火系统维保
七氟丙烷系统安装、调试、使用、维护
医院电气火灾监控系统方案
泡沫灭火系统检查维护
灭火器检测费用
灭火器维护保养
如何对灭火器进行检查
联系方式
联系人:郭经理
传真:010-69552656
电话:400-0346-119
电话:010-57113119
邮箱:506665119@qq.com
地址:北京通州区新华北路117
维保资讯
当前位置:
首页
>>
维保资讯
亿杰消防维保公司专业提供消防设施维护保养检测,消防维保,消防检测,消防设备安装改造工程、消防系统维修、供应消防报警设备为一体的北京专业消防维保公司.010-57113119
声光报警器发生故障需要这样处理!
声光报警器发生故障需要这样处理! 一、故障 1.声光报警器24V输入电压不正常(用万用表测量24V输入电压,一般电压在21-28V) 2.声光报警器设备损坏(更换声光报警器) 二、通讯故障 可以参考火灾探测器通讯故障的排查方法 三、在联动禁止模式下声光自己动作,...
784
2019-12-13
消火栓系统设备需要定期保养的内容规范
消火栓系统设备需要定期保养的内容规范 1)外观检测。 检测室内消火栓给水管道、消防水池/水箱稳压 装置、消火栓水枪及水带、消火栓按钮、消防水泵及各类管网 阀门等是否正常。 2)消防泵启动功能试验。 在泵房控制柜、消防中心、现场消 火栓按钮上启动消防泵、...
604
2019-12-11
火灾自动报警系统的供电应符合的规定!
火灾自动报警系统的供电应符合的规定! 1、火灾自动报警系统的主电源宜按一级或二级负荷来考虑。因为安装火灾自动报警系统的场所均为重要的建筑或场所,火灾自动报警系统如能及时、正确报警,可以使人民的生命、财产得到保护或少受损失。所以要求其主电源的可...
667
2019-12-09
消防控制系统供电需要这样符合要求
消防控制系统供电需要这样符合要求 存在问题: (1)消防控制室没有消防电源,供电不能在消防控制室实行双电源自动切换; (2)控制器主电源使用电源插头; (3)工程消防控制室报警柜、联动柜、广播柜主电源并接在一条线路上; (4)报警控制器直流备用电源...
623
2019-12-07
火灾自动报警系统出现误报有哪些原因?
火灾自动报警系统出现误报有哪些原因? 产品质量 产品技术指标达不到要求,稳定性比较差,对使用环境非火灾因素如温度、湿度、灰尘、风速等引起的灵敏度漂移得不到补偿或补偿能力低,对各种干扰及线路分析参数的影响无法自动处理而误报。 设备选择和布置不当...
574
2019-12-06
在家中请注意五种容易引发火灾的操作!
在家中请注意五种容易引发火灾的操作!冬季气温干燥,家庭防火极其重要,一旦发生火灾,不但影响家庭正常生活,还会殃及邻里,带来不良后果,因此,火灾的预防成为我们生活的必要考虑。 一、睡觉吸烟和乱扔烟头。日常生活中,吸烟引起的火灾相当严重。烟头表...
660
2019-12-02
消防设备中的火灾报警控制器有什么作用!
消防设备中的火灾报警控制器有什么作用!很多人不太清楚消防器材中火灾报警控制器的作用,我跟大家分享一下我学到的关于火灾报警控制器的知识哦。 火灾报警控制器是火灾自动报警系统的心脏,可向探测器供电,它的功能有: 1)用来接收火灾信号并启动火灾报警...
601
2019-11-30
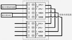
泰和安TX3502总线操作盘布线要求
1、RS485线采用RVS双绞线,截面积1.0mm2; 2、电源线采用截面积1.5mm2的阻燃线; 3、导线应有颜色标识,以防接错。 4、接线示意图如图所示:...
598
2019-11-20
北京汽车4S店消防维保检测
不论是消防工程还是消防设施,如果长时间不对其进行保养,可能会使得一些消防器材,在长久的闲置中出现故障,影响消防器材的正常使用!对火灾的防范有着极大的隐患! 所以,各个企业、各个厂区都需要定期对消防器材进行维护保养! 那么,消防维护日常保养都保养...
562
2019-03-01
泡沫灭火系统怎么安装
一、泡沫液储罐的安装位置和高度应符合设计要求,当设计无要求时,泡沫液储罐周围应留有满足检修需要的通道,其宽度不宜小于0.7m的通道,且操作面不宜小于1.5m:当泡沫液储罐上的控制阀距地面高度大于1.8 m 时,应在操作面处设置操作平台或操作凳。 二、常压...
586
2019-01-14
共214条 当前11/22页
首页
前一页
···
9
10
11
12
13
···
后一页
尾页
友情链接
消防改造
垃圾桶
手表牌子
NHBB轴承
危险化学品经营许可证
除尘布袋
视频监控系统
实验型喷雾干燥机
防雷检测
不锈钢金属软管
橡胶空气弹簧
不锈钢雕塑厂家
防尘试验箱
消防维保公司
金属软管
第三方消防检测公司
可视对讲
果蔬垃圾破碎机
消防维保公司
城市生命线
消防检测
关于亿杰
|
电检消检
|
灭火器年检
|
消防维保
|
维保资讯
|
成功案例
|
关于我们
|
联系我们
Copyright ? 2008-2014 亿杰(北京)消防工程有限公司 版权所有(仿制必究)部分图片来源于网络如有侵权请联系删除
北京市通州区新华北街117号 Tel: 010-69552656 E-mail: 50666119@qq.com
ICP备案号:
京ICP备14007488号
我们为您提供消防维保,消防检测服务。
主站蜘蛛池模板:
达尔
|
梁山县
|
浪卡子县
|
教育
|
宣武区
|
黎平县
|
客服
|
武强县
|
镇巴县
|
靖西县
|
会昌县
|
千阳县
|
苍梧县
|
宁蒗
|
合肥市
|
江油市
|
故城县
|
花垣县
|
日土县
|
大田县
|
讷河市
|
荥经县
|
广南县
|
玛沁县
|
青神县
|
缙云县
|
万年县
|
永新县
|
建湖县
|
东源县
|
浮梁县
|
夏邑县
|
新建县
|
平定县
|
松潘县
|
获嘉县
|
建德市
|
英超
|
太仓市
|
滦南县
|
格尔木市
|