1、RS485线采用RVS双绞线,截面积≥1.0mm2;
2、电源线采用截面积≥1.5mm2的阻燃线;
3、导线应有颜色标识,以防接错。
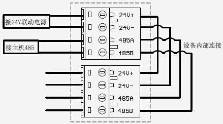
4、接线示意图如图所示:

相关内容
维保资讯
- 消防喷淋冻坏了怎么办如何维护消防喷淋防止冻坏
- 提供消防设施维护保养检测服务的公司需遵守《社会消防技术服务管理规定》
- 北京消防维保有强制规定吗,消防维保依据**哪条法律
- 北京消防物联网“三水一电”是所有单位必须安装吗
- 北京消防“三水一电”由什么公司安装
- 亿杰消防维保实现客户满意度95%+的破局之道
- 消防栓用市政水可以吗?有哪些要求?
- 北京市消防维保的现状分析与未来发展
- 亿杰消防:筑梦安全,以学促行,共筑消防维保新高度
- 亿杰消防提出,加强消防设施的维护保养,让消防安全无懈可击
- 消防维保时刻待命保障消防设施的稳定
- 亿杰消防维保公司坚持高标准,严要求做好消防维保工作
- 老旧小区的消防设施维护保养之难题如何解决?
- 厂房消防自动灭火系统安装规范 什么样的厂房需要安装自动喷水灭火系统
- 某住宅电动卷帘维保与方法
联系方式
- 联系人:郭经理
- 传真:010-69552656
- 电话:400-0346-119
- 电话:010-57113119
- 邮箱:506665119@qq.com
- 地址:北京通州区新华北路117

